
[특허등록][탄소중립][스마트팜] 실내외 공기로부터 이산화탄소, 질소 및 산소를 포집하여 저장 및 공급하는 시스템
System for storing and supplying carbon dioxide, nitrogen, oxygen from indoor and outdoor air
-출원연월일: 2022년 12월 19일
-출원번호: 10-2022-0178422
-특허결정(심결)연월일: 2024년 01월 04일
-청구범위의항수: 9
-유별: A01G 9/18
-발명의명칭: 실내외 공기로부터 이산화탄소, 질소 및 산소를 포집하여 저장 및 공급하는 시스템
-존속기간(예정)만료일: 2042년 12월 19일
그린바이오 기능성 농산물 재배 전문기업인 메디머스는 이번에 스마트팜 시설내 기능성양액 재배 시스템 외에 탄소포집 및 공급하는 시스템 프로세스에 관해 특허등록 권리권자가 되었습니다.
[특허내용]
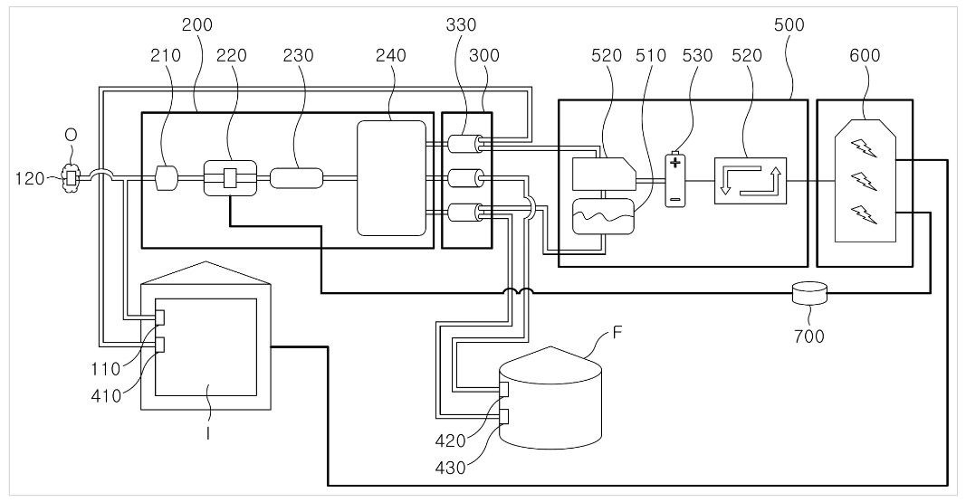
"실내외 공기로부터 이산화탄소, 질소 및 산소를 포집하여 저장 및 공급하는 시스템은 실내 영역 및 실외 영역 중 하나 이상으로부터 흡입된 공기로부터 이산화탄소, 질소 및 산소를 포집하는 포집 장치; 상기 이산화탄소, 상기 질소 및 상기 산소를 저장하는 저장 장치; 및 상기 저장 장치로부터 상기 이산화탄소 및 상기 질소 중 하나 이상을 공급받아 스마트팜으로 토출하고, 상기 저장 장치로부터 상기 산소를 공급받아 상기 실내 영역으로 토출하는 토출 장치;를 포함하고, 연료를 이용하여 수소를 생성하고, 상기 수소 및 상기 포집 장치로부터 포집된 상기 산소를 이용하여 전력을 생성하는 연료 전지 장치; 및 상기 연료 전지 장치로부터 생성된 상기 전력을 저장하고, 저장된 상기 전력을 상기 실내 영역 및 상기 스마트팜 중 하나 이상으로 공급하는 전력 저장 장치;를 더 포함할 수 있다.
감사합니다.
#탄소중립 #탄소포집 #특허등록 #스마트팜 #포집장치 #저장장치 #토출장치 #연료전지장치 #전력저장장치 #그린바이오 #메디머스
[특허등록][탄소중립][스마트팜] 실내외 공기로부터 이산화탄소, 질소 및 산소를 포집하여 저장 및 공급하는 시스템
System for storing and supplying carbon dioxide, nitrogen, oxygen from indoor and outdoor air
-출원연월일: 2022년 12월 19일
-출원번호: 10-2022-0178422
-특허결정(심결)연월일: 2024년 01월 04일
-청구범위의항수: 9
-유별: A01G 9/18
-발명의명칭: 실내외 공기로부터 이산화탄소, 질소 및 산소를 포집하여 저장 및 공급하는 시스템
-존속기간(예정)만료일: 2042년 12월 19일
그린바이오 기능성 농산물 재배 전문기업인 메디머스는 이번에 스마트팜 시설내 기능성양액 재배 시스템 외에 탄소포집 및 공급하는 시스템 프로세스에 관해 특허등록 권리권자가 되었습니다.
[특허내용]
"실내외 공기로부터 이산화탄소, 질소 및 산소를 포집하여 저장 및 공급하는 시스템은 실내 영역 및 실외 영역 중 하나 이상으로부터 흡입된 공기로부터 이산화탄소, 질소 및 산소를 포집하는 포집 장치; 상기 이산화탄소, 상기 질소 및 상기 산소를 저장하는 저장 장치; 및 상기 저장 장치로부터 상기 이산화탄소 및 상기 질소 중 하나 이상을 공급받아 스마트팜으로 토출하고, 상기 저장 장치로부터 상기 산소를 공급받아 상기 실내 영역으로 토출하는 토출 장치;를 포함하고, 연료를 이용하여 수소를 생성하고, 상기 수소 및 상기 포집 장치로부터 포집된 상기 산소를 이용하여 전력을 생성하는 연료 전지 장치; 및 상기 연료 전지 장치로부터 생성된 상기 전력을 저장하고, 저장된 상기 전력을 상기 실내 영역 및 상기 스마트팜 중 하나 이상으로 공급하는 전력 저장 장치;를 더 포함할 수 있다.
감사합니다.
#탄소중립 #탄소포집 #특허등록 #스마트팜 #포집장치 #저장장치 #토출장치 #연료전지장치 #전력저장장치 #그린바이오 #메디머스